
現在、欧米で大変流行している『Barn Door(バーンドア)』
日本でも見かけるようになり、弊社でも取扱い開始直後から徐々に問合せが増えてきています。
新しい金具という事もあり、建具への加工方法・金具の組立方法・取付方法など問合せが多いので、図解にて説明させて頂きます。
実際に施工をした感想としては、難しい作業は一つもなく慣れれば数十分で取付完了できるようになると思います。
『施工手順』
①レール固定用アンカーの位置出し
下図に従い、まずはレール高さの位置出しを行います。
その後に固定用コーチボルトの下穴を450mmピッチで全5カ所開けていきます。

2)レールの取り付け
下図のように下穴にアンカーを打ち込みます。
その後に固定座→レール→コーチボルトの順に全5カ所固定していきます。

3)ローラーハンガーの取り付け
下図のようにドアにボルト穴加工を施し、ローラーハンガーを取り付けます。

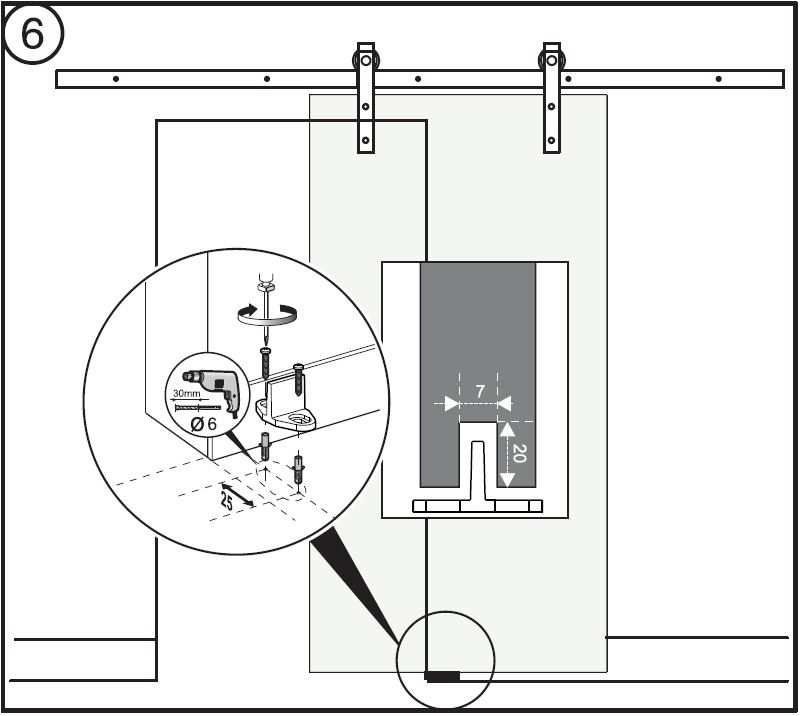
4)外れ止めの取り付け
下図のようにドア上部木口のローラーハンガー内側に外れ止めを2カ所取り付けます。

5)ドアの吊り込み
下図のようにドアを吊り込みます。

6)フロアガイドの取り付け
下図のようにフロアガイドを取り付けます。

7)戸当たりの取り付け
下図のように適切な位置で戸当たりを固定します。

8)ソフトクローザーの取り付け
下図のようにソフトクローザー部品を左右2カ所取り付けます。

9)完成
下図のようにドア上部木口にストッパーを2カ所取り付けます。

10)完成

是非ともOK-DEPOTの多彩な無垢ドアと組合せて意匠性の高いバーンドアとしてお楽しみください。
下記、関連記事も良かったらご覧ください!
バーンドア金物はこちら↓
無垢ドアはこちら↓
外渉課 荒木恵